產品概述/ zhongke
一、產品概述
1、 LD型電動單梁起重機具有結果合理,整機鋼性強的特點。
2、 整機與CD型、MD型電動葫蘆配套使用,是一種輕小型的起重機械。
3、 其起重量為1t-20t,跨度為7.5-28.5m,工作級別為A3-A4,工作環(huán)境溫度為-25-40℃。
4、 本產品廣泛用于工廠、倉庫、料場等不同場合吊運貨物,禁止在易燃、易爆、腐蝕性介質環(huán)境中使用。
5、 本產品設有地面和操縱室兩種操作形式,操縱室有開式、閉式兩種,可根據實際情況分為左裝與右裝兩種形式。
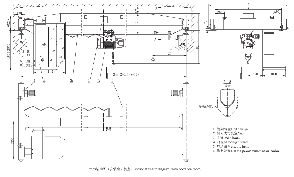
二、產品簡圖






中科重工成功案例
注起重設備定制就解決方案提供商
起重設備定制解決方案提供商
注起重設備定制就解決方案提供商
全天候服務
現場安裝指導
免費技術培訓
終身維修服務
中科重工實力看得見
注起重設備定制就解決方案提供商
公司創(chuàng)建于2017年,注冊資金1.16億元,各廠區(qū)總計占地面積近50000㎡,現有員工200余人

公司配備現代化生產車間,年生產能力可達上萬臺
眾多實力客戶的選擇
注起重設備定制就解決方案提供商
推薦產品/ recommend
相關新聞/ Related news
返回頂部
在線客服
掃一掃 關注我們
掃一掃 關注我們